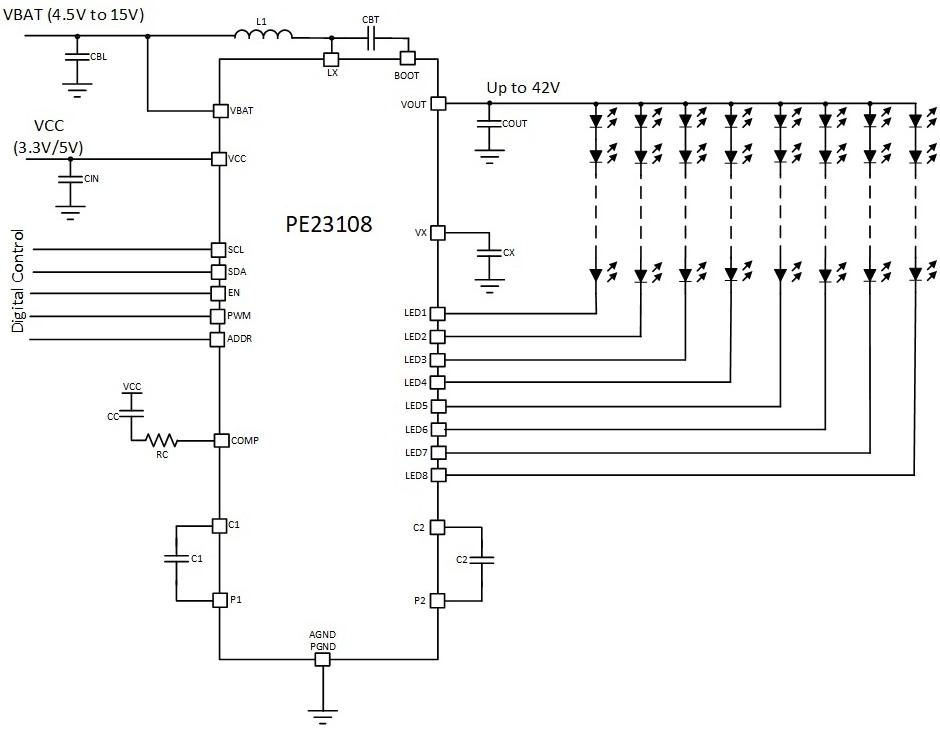
The PE23108 is an ultra-high efficiency DC-DC converter solution with integrated programmable current sinks that drive up to eight strings of LEDs. The PE23108 integrates all MOSFETs and their control and driver circuitry. With the proprietary architecture, the PE23108 provides the highest efficiency (up to 96%) possible in a compact 3.445 mm × 2.095 mm WLCSP30 package. The unique two-stage architecture enables a small and low-profile solution size aligned to the needs of the latest mobile products.