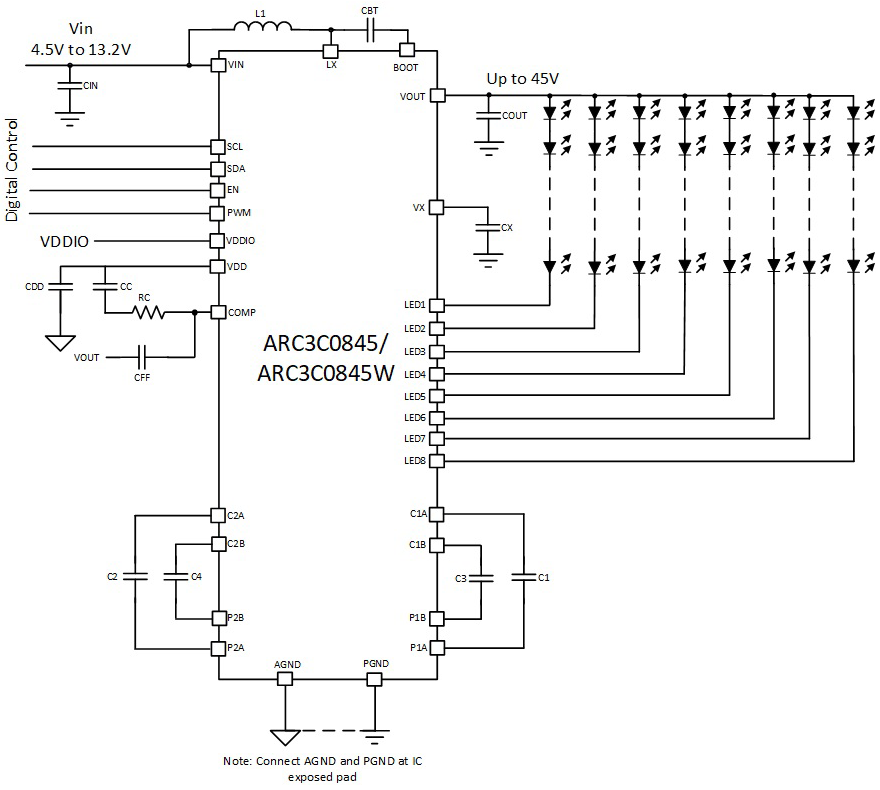
The ARC3C0845/ARC3C0845W is an ultra-high efficiency DC/DC converter solution with integrated programmable current sinks that drive up to eight strings of LEDs. The ARC3C0845/ARC3C0845W integrates all MOSFETs and their control & driver circuitry. With the proprietary architecture, the ARC3C0845/ARC3C0845W provides the highest efficiency (>94%) possible in a compact 3.44 mm × 2.415 mm WLCSP40 (ARC3C0845W) or 4 mm × 4 mm 32-pin LGA package (ARC3C0845). The high switching frequency enables a small and low profile solution size aligned to the needs of the latest mobile products.