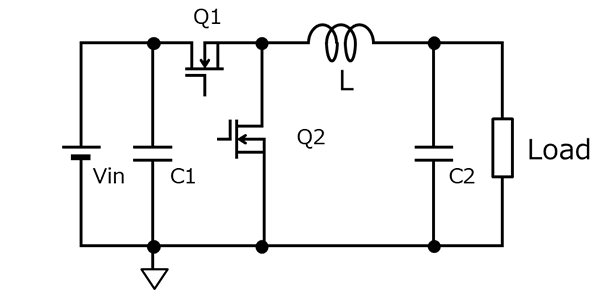
For example, let's calculate the loss generated in the commutation element Q2 under the conditions of load current Iout = 10 A and duty cycle D = 0.5.
Synchronous rectification has smaller losses and can suppress heat generation when the load current is large.
Also, when the input-output voltage difference is large, the ON time of the commutation side switch Q2 is longer, so the loss difference is even larger.