Enter a product part number, or a portion of a part number.
The pocket pitch of the taping is reduced to half of the conventional pitch. We propose the change to narrow-pitch taping, which contributes to improved production efficiency and is environmentally friendly.
The change to narrow-pitch taping doubles the quantity per reel. That also reduces the amount of packaging materials used and the waste of it. In this way we can contribute to the resource conservation.
Because the weight will not increase much although the quantity of a reel is more than doubled, transport efficiency will be improved.
The change to narrow-pitch taping doubles the quantity per reel. Therefore, halved splicing work and halved reel changes will reduce working time and stock space, thus facilitating improvement of production efficiency.
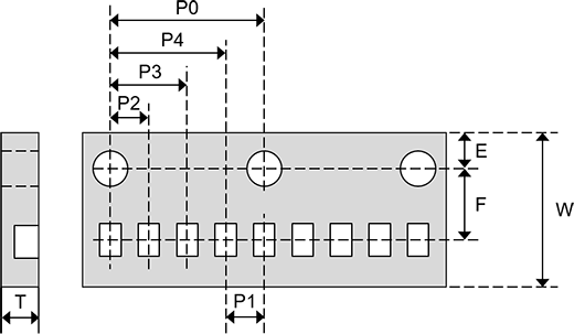
W8P4 : Width 8mm、Pocket pitch 4mm W8P2 : Width 8mm、Pocket pitch 2mm W8P1 : Width 8mm、Pocket pitch 1mm
It supports 0201(0.6 × 0.3mm), 0402(1.0 × 0.5mm) and 0603(1.6 × 0.8mm) inch sizes.
W8P1
W8P2
mm
Send your inquiry
Find What You Need—Anytime, Anywhere—Right now!
The software 'SimSurfing' simulates the characteristics of Murata products.