Select your region & language

Automotive - ElectrifiedDC-DC converter

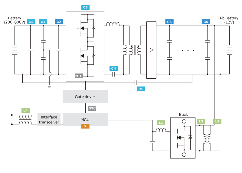
In the field of power electronics systems there is demand for high added value in the form of compactness, light weight, high efficiency, guaranteed operation at high temperatures, and safety functions. Murata’s lineup of products for use in DC-DC converters is introduced here.

Common mode noise filter

C1

Smoothing(HV)

C2

Snubber

C3

Resonance

C4

Smoothing(12V)

C5

Inductor for Power supply

L1

EMI filter for Power supply

L2

L3

EMI filter for CAN

L4

Temperature sensing

NTC

Clock

X